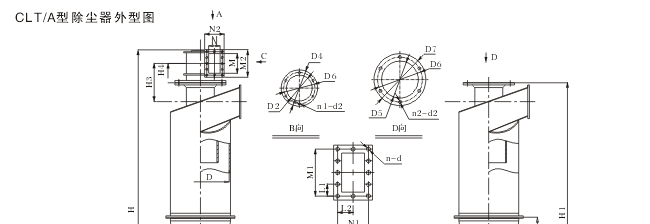
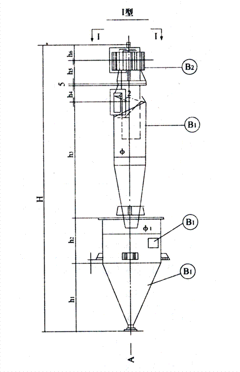
型號 | 處理風量(m3/h) | 設備阻力(mmH2O) | 除塵效率(%) |
CLT/A-3.0 | 670-1000 | 86-195 | 85-90 |
CLT/A-3.5 | 910-1360 | ||
CLT/A-4.0 | 1180-1780 | ||
CLT/A-4.5 | 1500-2250 | ||
CLT/A-5.0 | 1860-2780 | ||
CLT/A-5.5 | 2240-3360 | ||
CLT/A-6.0 | 2670-4000 | ||
CLT/A-6.5 | 3130-4700 | ||
CLT/A-7.0 | 3630-5440 | ||
CLT/A-7.5 | 4170-6250 | ||
CLT/A-8.0 | 4750-7130 | ||
CLT/A-2×3.0 | 1340-2000 | ||
CLT/A-2×3.5 | 1820-2720 | ||
CLT/A-2×4.0 | 2360-3560 | ||
CLT/A-2×4.5 | 3000-4500 | ||
CLT/A-2×5.0 | 3720-5560 | ||
CLT/A-2×5.5 | 4480-6720 | ||
CLT/A-2×6.0 | 5340-800 | ||
CLT/A-2×6.5 | 6260-9400 | ||
CLT/A-2×7.0 | 7260-10880 | ||
CLT/A-2×7.5 | 8340-12500 | ||
CLT/A-2×8.0 | 9500-14260 | ||
CLT/A-3×3.5 | 2730-4080 | ||
CLT/A-3×4.0 | 3540-5340 | ||
CLT/A-3×4.5 | 4500-6750 | ||
CLT/A-3×5.0 | 5580-8340 | ||
CLT/A-3×5.5 | 6720-10080 | ||
CLT/A-3×6.0 | 8010-12000 | ||
CLT/A-3×6.5 | 9390-14100 | ||
CLT/A-3×7.0 | 10890-16320 | ||
CLT/A-3×7.5 | 12510-18750 | ||
CLT/A-3×8.0 | 14250-21290 | ||
CLT/A-4×3.5 | 2640-5440 | ||
CLT/A-4×4.0 | 4720-7120 | ||
CLT/A-4×4.5 | 6000-9000 | ||
CLT/A-4×5.0 | 7440-11120 | ||
CLT/A-4×5.5 | 8960-13440 | ||
CLT/A-4×6.0 | 10680-16000 | ||
CLT/A-4×6.5 | 12520-18800 | ||
CLT/A-4×7.0 | 14520-21760 | ||
CLT/A-4×7.5 | 16680-25000 | ||
CLT/A-4×8.0 | 19000-28500 | ||
CLT/A-6×4.0 | 7080-10680 | ||
CLT/A-6×4.5 | 9000-13500 | ||
CLT/A-6×5.0 | 11160-16680 | ||
CLT/A-6×5.5 | 13440-20160 | ||
CLT/A-6×6.0 | 16020-24000 | ||
CLT/A-6×6.5 | 18780-28200 | ||
CLT/A-6×7.0 | 21780-32640 | ||
CLT/A-6×7.5 | 25020-37500 | ||
CLT/A-6×8.0 | 2850-42780 |



冀公網安備13098102000361號