|
型(xíng)號規格
|
進口風速(m/s)
|
處理風量(m3/h)
|
阻力(lì)(kg/m2)
|
耗水量(t/h)
|
效(xiào)率(lǜ)(%)
|
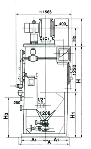
外型(xíng)尺寸(cùn)(長×寬×高)
|
重量(kg)
|
|
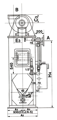
CCJ/A-5
|
18
|
5000
|
100-160
|
0.16
|
99
|
1568×1284×3124
|
809
|
|
CCJ/A-7
|
7000
|
0.23
|
1568×1634×3240
|
1058
|
|||
|
CCJ/A-10
|
10000
|
0.33
|
1568×2012×3579
|
1212
|
|||
|
CCJ/A-14
|
14000
|
0.46
|
1956×2600×4828
|
2430
|
|||
|
CCJ/A-20
|
20000
|
0.66
|
2573×2600×4828
|
3370
|
|||
|
CCJ/A-30
|
30000
|
0.98
|
3279×2600×4828
|
4132
|
|||
|
CCJ/A-40
|
40000
|
1.32
|
4200×2250×5196
|
5239
|
|||
|
CCJ/A-60
|
60000
|
1.97
|
5913×2250×5566
|
6984
|
|
|
|
|
|
|

冀公網安備13098102000361號